|
Duyurular
Anket
E-Bülten
Döviz Durumu
Hava Durumu
İstatistik
 |
Günlük Ziyaretçi |
: 165 |
 |
Toplam Ziyaretçi |
: 27876 |
|

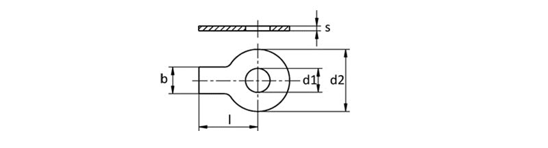
| < |
3 |
3,5 |
4 |
5 |
6 |
7 |
8 |
10 |
12 |
14 |
16 |
18 |
| d1 |
3,2 |
3,7 |
4,3 |
5,3 |
6,4 |
7,4 |
8,4 |
10,5 |
13 |
15 |
17 |
19 |
| d2 |
12 |
12 |
14 |
17 |
19 |
19 |
22 |
26 |
30 |
33 |
36 |
40 |
| b |
4 |
4 |
5 |
6 |
7 |
7 |
8 |
10 |
12 |
12 |
15 |
18 |
| s |
0,38 |
0,38 |
0,38 |
0,5 |
0,5 |
0,5 |
0,75 |
0,75 |
1 |
1 |
1 |
1 |
| I |
13 |
13 |
14 |
16 |
18 |
18 |
20 |
22 |
28 |
28 |
32 |
36 |
| |
|
|
|
|
|
|
|
|
|
|
|
|
| Uygun Diş Çapı - For Thread Size |
20 |
22 |
24 |
27 |
30 |
33 |
36 |
39 |
42 |
45 |
48 |
52 |
| d1 |
21 |
23 |
25 |
28 |
31 |
34 |
37 |
40 |
43 |
46 |
50 |
54 |
| d2 |
42 |
50 |
50 |
58 |
63 |
68 |
75 |
82 |
88 |
95 |
100 |
105 |
| b |
18 |
20 |
20 |
23 |
26 |
28 |
30 |
32 |
35 |
38 |
40 |
44 |
| s |
1 |
1 |
1 |
1,6 |
1,6 |
1,6 |
1,6 |
1,6 |
1,6 |
1,6 |
1,6 |
1,6 |
| I |
36 |
42 |
42 |
48 |
52 |
56 |
60 |
64 |
70 |
75 |
80 |
85 |
Malzeme : Çelik, Paslanmaz, Prinç |